Komentari korisnika
Zasnoivano na 1 review
Napišite komentar
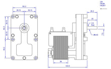
GEAR MOTOR T3 230V 4,75 RPM
LAMINATION 38MM, BALL RACE ON
ROTOR, D SHAPED SHAFT D=8,5MM,
ROTATION CW
USED ON:
ABC COMBO
Customer Reviews
Based on 1 review
100%
(1)
0%
(0)
0%
(0)
0%
(0)
0%
(0)
D
Sve korektno, deo odgovarajuci, nov, savrseno radi, dogovor brz, dostava za dan. Hvala prodavcu, sve preporuke!
Hvala Vama.

